Pneumatic regulating butterfly valve

Pneumatic regulating butterfly valve
  • sell:021-32051999
  • sell:021-32050777
  • fax:021-66099555

Details

  • Product Introduction
  • Service Promise
  • Ordering Process

ZMAW pneumatic membrane control butterfly valve / ZSRW, ZSCW pneumatic piston control butterfly valve input control signal (4-20mADC or 1-5VDC) air source can control operation, simple and compact structure, easy to manufacture large diameter, with self-cleaning effect, small resistance coefficient, large flow capacity. It is suitable for the regulation of suspended solids and strong and turbid slurry fluids. Clean medium, can choose the valve plate plus soft seal (rubber ring, tetrafluoro ring) to reduce leakage (up to 0.01%), high temperature and high pressure can choose the three eccentric hard seal valve body. The order must be marked.


Main technical parameters of pneumatic regulating butterfly valve

Nominal path mm
50
80
100
125
150
200
250
300
350
400
450
500
600
700
800
900
1000
Rated discharge coefficient Kv
85
220
340
530
770
1360
2130
3060
4160
5450
6900
8500
12200
16600
21700
27540
34000
Nominal pressure MPa
0.6
Rated turning angle °
70
Signal pressure KPa
20~100
Flow characteristics
近似等百分比
Medium temperature ℃
-20~200(常溫) ; -40~450(中溫) ; -40~600(高溫)
Nozzle flange
按JB78-59對夾式法蘭連接
Signal connection screw hole
M16×1.5
Matching actuator
Thin film
ZMA-2
ZMA-3
ZMA-4
ZMA-5
Piston type
ZSC-45
body material
ZG230-450;1Cr18Ni9; ZG1Cr18Ni9Ti、ZGOCr18Ni12Mo2Ti
Appendable appendage
Handwheel, locator, air filter and pressure reducer.
Material and recommended temperature range for main components of pneumatic regulating butterfly valves
Part name
Material Science
Temperature range C
Body valve plate
ZG230-450
-40-450
ZG1Cr18Ni9Ti
-250-550
ZG0Cr18Ni12Mo2Ti

Note: This table is the limit service temperature of all kinds of materials. In actual selection, the lowest and highest service temperature of materials should be determined according to the medium temperature range of the products. The lowest service temperature should not be lower than the lower limit of the medium temperature range, and the highest service temperature should not be higher than the upper limit of the medium temperature range.


Main technical parameters of pneumatic regulating butterfly valve thin film actuator

Model
ZMA-2
ZMA-3
ZMA-4
ZMA-5
effective area cm2
280
400
630
1000
Trip mm
16
25
40
60
Spring range KPa
20~100 ; 40~200 ; 20~60 ; 60~100
Main technical parameters of pneumatic actuator for butterfly valve actuator
Model
Piston diameter mm
effective area cm2
Maximum stroke mm
Maximum operating pressure KPa
Maximum output force N
ZSC-45
250
484
60
500
21800
Performance specification of pneumatic regulating butterfly valve
Executing agency
Thin film actuator
Piston actuator
Category
Without locator
Belt locator
Belt locator
Spring range KPa
20~100 40~200
20~60 60~100
Project
Basic error%
±8
-
±2.0
±2.0
Difference%
6
-
2.0
2.0
Dead zone%
5
-
0.8
0.8
Always point deviation%.
Air opening
Starting point
±4.0
±4.0
±2.0
±
End
±8
±8
Gas pass
Starting point
±8
±8
End
±4.0
±4.0
Rated angle deviation%
±2.5
Allowable leakage 1/h
Rated capacity of 2 * 10-2 * valves
MPa
Matching actuator type
ZMA-2
ZMA-3
ZMA-4
ZMA-5
ZSC-45
70°
70°
70°
70°
70°

Nominal path

mm

50
0.6
0.097
(0.22)
80
0.6
0.038
(0.086)
100
0.556
(0.6)
0.0196
(0.0445)
125
0.6
0.0250
(0.0542)
150
0.444
(0.6)
0.0150
(0.0314)
200
0.185
(0.407)
0.00587
(0.0129)
250
0.331
(0.6)
0.00845
(0.0175)
300
0.181
(0.385)
0.00461
(0.00983)
350
0.133
(0.284)
0.00292
(0.00622)
400
0.216
(0.45)
0.00485
(0.0101)
450
0.171
(0.356)
0.00341
(0.00741)
500
0.139
(0.289)
0.0025
(0.0052)
600
0.6
0.019
700
0.6
0.0119
800
0.442
0.00795
900
0.339
0.00599
1000
0.236
0.00403

Note: the values in brackets are allowable pressure differences with positioners.


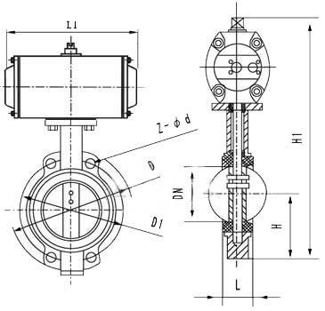
Main size of pneumatic regulating butterfly valve


ZMAW pneumatic thin film adjusting butterfly valve

Shape size
公稱通徑
D1
D2
L1
L2
n-d
H
H1
H2
D
L3
法蘭端面距
50
110
92
200
4-14
637
582
382
280
278
60
80
150
125
92
200
4-18
644
582
382
280
278
100
175
145
102
210
654
280
278
125
200
175
117
234
8-18
723
636
436
325
278
150
225
200
130
247
736
325
278
200
280
255
172
287
763
325
278
70
250
335
310
197
327
12-18
1008
853
615
410
376
300
395
362
227
351
12-23
1034
410
376
80
350
445
412
252
376
1059
410
376
400
495
462
296
432
16-23
1238
1007
720
495
376
100
450
550
518
321
459
1266
495
376
500
600
568
346
484
1291
495
376
600
705
755
480
565
20-25
1486
1109
796
180
150
700
810
860
530
615
24-25
1539
180
800
920
975
595
675
24-30
1596
180
200
900
1020
1075
685
770
24-30
1661
1124
180
1000
1120
1175
735
810
28-30
1711
1124
180
200
ZSRW, ZSCW pneumatic piston adjusting butterfly valve
Shape size


Nominal pathDN

Structure length

(standard value)

Connection size
L
H
H1
PN0.6MPa
PN1.0MPa
mm
inch
Flanged
Pair clip
D
D1
Z-d
D
D2
Z-d
50
2
108
43
100
400
140
110
4--14
165
125
4--18
65
21/2
112
46
115
420
160
130
4--14
185
145
4--18
80
3
114
49
120
138
190
150
4--18
200
160
8-18
100
4
127
56
130
524
210
170
4--18
220
180
8-18
125
5
140
64
150
570
240
200
8-18
250
210
8-18
150
6
140
70
170
743
265
225
8-18
285
240
8-22
200
8
152
76
200
767
320
280
8-18
340
295
8-22
250
10
165
76
235
790
375
335
12-18
395
350
12-22
300
12
178
83
300
890
440
395
12-22
445
400
12-22
350
14
190
92
325
954
490
445
16-22
505
460
16-22
400
16
216
102
355
1070
540
495
16-22
565
515
16-26
450
18
222
114
390
1140
595
550
20-22
615
565
20-26
500
20
229
127
420
1200
645
600
20-26
670
620
20-26
600
24
267
154
490
1380
755
705
24--26
780
725
20-30
700
28
292
165
550
1580
860
810
24--30
895
840
24--30
800
32
318
190
640
1760
975
920
24--30
1015
950
24--33
900
36
330
203
710
1075
1020
24--30
1115
1050
28-33
1000
40
410
216
770
1175
1120
28--30
1230
1160
28-36
1200
48
470
254
890
1405
1340
32-33
1450
1380
32-39


The best quality, first-class service Qigao creates more value for you!

"Qigao Valve" expects to continuously improve service quality and strive for excellence. "Sincere service" is the eternal theme of "Qigao". "Qigao" strictly followsIS09001-2000 Quality system certification requirements, strict quality control, responsibility to people, to ensure the healthy operation of production, sales and service. Strengthen communication with users and provide quality products to our customers with perfection and perfect service. Hereby our factory makes the following commitments:

Product Standards:

Products in strict accordance with ChinaGB、HG Standard and USAPISuch as standard design, manufacturing, acceptance. The hardness of the sealing surface meets the requirements of the state and the width exceeds the national standard.

pre-sale service:

Product introduction, technical exchange, non-standard product design, troubleshooting。

Sale service:

A trustworthy contract guarantees timely delivery and keeps in touch with customers. For special or duplicate products, our factory arranges technicians to use and troubleshoot the products for users.

After sales service:

1、"Qigao" brand product quality period is from the factory12In the month, the implementation of the "three guarantees" service (return, replacement, warranty).

2、During the use of our products, our factory regularly organizes technical and quality inspection personnel to visit and consult users for feedback on product quality, usage status and improvement opinions, so as to further improve product quality.

3、Respond quickly to the quality of user complaints, after-sales service personnel rushed to the scene in 24-36 hours (48 hours outside the province).

4、For after-sales service, users are required to fill out the quality feedback information form after the service and make an appraisal opinion in order to improve the service quality of Qigao.

1、If the customer has special requirements for the product, the following instructions must be provided in the order contract.:

a、Structure length;

b、Connection Type;

c、Nominal diameter, full diameter, reduced diameter, pipe size;

d、Operating medium and temperature, pressure range;

e、Tests, inspection standards and other requirements

2、The factory can configure various types of driving devices according to customer's specific requirements.。

3、If the type and model of the valve are determined by the customer, the customer shall correctly state the meaning and requirements of the model and sign the contract under the condition that the supplier and the buyer understand each other.

4、For futures and order customers, please call us in advance to tell the required valve model, specification, quantity, delivery time and location, and timely transfer to the factory account according to the total 30% deposit or full payment. The rest of the payment is pending. Import before shipment to arrange delivery in time.

 

Order Process:

1、Customer purchase list fax to021-33872143,Or call us 021-33872141

2、Receive customer purchase list, provide valve model selection and quotation (price list)。

3、Specific agreement: delivery date, special requirements, etc.。

download Google:

1、If the customer has special requirements for the product, the following instructions must be provided in the order contract.:

a、Structure length;

b、Connection Type;

c、Nominal diameter, full diameter, reduced diameter, pipe size;

d、Operating medium and temperature, pressure range;

e、Tests, inspection standards and other requirements

2、The factory can configure various types of driving devices according to customer's specific requirements.。

3、If the type and model of the valve are determined by the customer, the customer shall correctly state the meaning and requirements of the model and sign the contract under the condition that the supplier and the buyer understand each other.

4、For futures and order customers, please call us first to tell the required valve model, specifications, quantity, delivery time and location, and press the total30%The deposit or full payment will be remitted to our factory account in time., The rest of the payment will be remitted before shipment to arrange delivery in time.。

Sale service:

Trustworthy contract, guarantee timely delivery, keep in touch with customers at any time。

For special or duplicate products, our factory arranges technicians to use and troubleshoot the products for users.

After sales service:

1、"Qigao" product quality period is from the factory12Month, practiceThree packsService (return, replacement, warranty)。

2、During the use of our products, our factory regularly organizes technical and quality inspection personnel to visit and consult users for feedback on product quality, usage status and improvement opinions.,
In order to further improve product quality。

3、Respond quickly to the quality of user complaints, after-sales service personnel24-36Hours (outside the province48Hour) rushed to the scene。

4、For after-sales service, the user is required to fill out the quality feedback information form after the service and make an appraisal opinion in order to improve the service quality of “Qigao”.。

statement

  1. All text, data and pictures in this article are for reference only.Pneumatic regulating butterfly valvePlease contact us at 4000-700-665 for details of performance, size and price.
  2. If there is no explanation, this article is original, reprint, please indicate the address of this article, thank you for your cooperation!