- ball
- Gate valve
- butterfly valve
- Regulating valve
- Cut-off valve
- Globe valve
- Check valve
- Knife Gate Valve
- Safety valve
- Pressure relief valve
- Drain valve
- Plug valve
- Diaphragm valve
- Discharge valve
- Exhaust valve
- Filter
- Solenoid valve
- Needle valve
- Plunger valve
- Copper valve
- Compensator
- Hydraulic control valve
- Electric two way valve
- Vacuum valve
- Thermal insulation valve
- Flame arrester
- Breathing valve
- Balance valve
- Sludge discharge valve
- Ammonia valve
- Metallurgical valves
- Fluorine valve
- Low temperature valve
- Power station valve
- Natural gas valves
- Other valves
- Inlet valve
- Import actuator
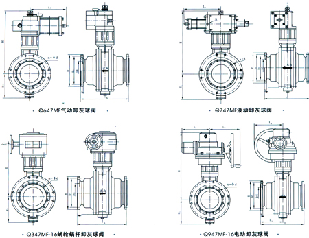
Q47H ash unloading ball valve
- sell:021-32051999
- sell:021-32050777
- fax:021-66099555
Details
- Product Introduction
- Service Promise
- Ordering Process
Q47H discharging ball valve/Q947H electric discharging ball valve/Q647H pneumatic discharging ball valve in petroleum, natural gas, coal and ore mining, refining processing and pipeline transportation system; in chemical products, pharmaceutical and food production; in hydroelectric, thermal and nuclear power production system; in urban and industrial enterprises water supply and drainage, heating It is an important mechanical product closely related to production and construction, national defense and people's life. Ball valves are sealed in various pipeline systems to cut off or connect the flow of media, so that the media in accordance with predetermined procedures to the designated points.
Product characteristics of ash unloading ball valves
1, manual parts can be pressed by steel plate or stainless steel casting handle. The handle is equipped with a limit structure, and a limit is set at the position where the valve is opened and closed. When the valve is used on the key device, a lock hole is arranged on the limit block to avoid misoperation. The handle is marked clearly on and off.
2, the stem adopts A182F (1Cr13) forging and modulating, and the hardness reaches HB220 ~ 250. The valve stem is connected with the handle through a flat key or a spline or a square bond. It is versatile and easy to assemble and disassemble. The valve stem is provided with anti blow out structure.
3. The packing of the valve is knitted, flexible graphite seal ring or tetrafluoroethylene seal ring, which makes the stem seal reliably under certain lubrication conditions.
4. According to the need, the ball valve can be designed as an anti-static structure. Conductive springs are arranged between the ball and the valve stem, the valve stem and the valve body to avoid electrostatic ignition of inflammable substances and ensure the safety of the system.
5, various forms of sealing pairs. Soft seal, hard seal and fire-proof seat can be selected according to different working conditions; float ball type is below DN150 and fixed ball type is below DN200.
6. The auxiliary sealing structure can be set at the valve seat of the ball valve, and the grease injection valve can be installed at the valve seat and the valve stem position, which can be temporarily sealed in emergency, and the valve stem can be lengthened as needed to fit the buried place.
Material for main parts of ash unloading ball valve
valve body | Stem | Valve ball | Sealing surface | Shim | filler | working temperature | Applicable medium |
WCB | 1Cr13 | 1Cr13 | 1Cr13 Stellite Alloy Bulk material | Flexible graphite Stainless steel plus flexible graphite 08 soft steel F304 F316 | Flexible graphite Graphene | -29-425℃ | Water, steam and oil |
WC6 | 15CrMo | 15CrMo | -29-425℃ | ||||
WC9 | 25Cr2MoV | 25Cr2MoV | |||||
LCB | 304 | 304 | -46-354℃ | ||||
CF8 | 304 | 304 | -196-600℃ | Some acids and bases | |||
CF3 | 304L | 304L | |||||
CF8M | 316 | 316 | |||||
CF3M | 316L | 316L |
構(gòu)圖.jpg)

Nominal pressure | 50 | 65 | 80 | 100 | 125 | 150 | 200 | 250 | 300 | 350 | 400 | 450 | 500 | |
Series1L | 216 | 241 | 283 | 305 | 356 | 394 | 457 | 533 | 610 | 686 | 762 | 864 | 914 | |
Series2L | - | - | - | - | - | - | 500 | 600 | 700 | 800 | 900 | - | 1000 | |
H | 102 | 114 | 127 | 152 | 184 | 219 | 273 | 360 | 395 | 430 | 470 | 550 | 580 | |
Manual | H1 | 107 | 125 | 152 | 178 | 300 | 330 | 398 | 495 | 580 | 625 | 670 | 698 | 840 |
E | - | - | - | - | - | - | 115 | 116 | 171 | 171 | 257 | 257 | 257 | |
F | - | - | - | - | - | - | 350 | 350 | 400 | 420 | 400 | 420 | 400 | |
W | 230 | 400 | 400 | 650 | 1050 | 1050 | 600 | 600 | 800 | 800 | 800 | 800 | 800 | |
WT(KG) | 12 | 16 | 22 | 35 | 58 | 74 | 205 | 322 | 460 | 576 | 864 | 1280 | 1600 | |
Electric power | H2 | - | - | - | - | - | 554 | 600 | 652 | 760 | 770 | 830 | - | 940 |
L1 | - | - | - | - | - | 235 | 235 | 235 | 259 | 400 | 400 | - | 410 | |
Pneumatic | H3 | 274 | 379 | 389 | 479 | 552 | 666 | 736 | 926 | 1059 | 1127 | 1127 | 1468 | 1538 |
L2 | 270 | 405 | 405 | 576 | 576 | 776 | 776 | 776 | 1060 | 1060 | 1060 | 1360 | 1360 | |
The best quality, first-class service Qigao creates more value for you!
"Qigao Valve" expects to continuously improve service quality and strive for excellence. "Sincere service" is the eternal theme of "Qigao". "Qigao" strictly followsIS09001-2000 Quality system certification requirements, strict quality control, responsibility to people, to ensure the healthy operation of production, sales and service. Strengthen communication with users and provide quality products to our customers with perfection and perfect service. Hereby our factory makes the following commitments:
Product Standards:
Products in strict accordance with ChinaGB、HG Standard and USAPISuch as standard design, manufacturing, acceptance. The hardness of the sealing surface meets the requirements of the state and the width exceeds the national standard.
pre-sale service:
Product introduction, technical exchange, non-standard product design, troubleshooting。
Sale service:
A trustworthy contract guarantees timely delivery and keeps in touch with customers. For special or duplicate products, our factory arranges technicians to use and troubleshoot the products for users.
After sales service:
1、"Qigao" brand product quality period is from the factory12In the month, the implementation of the "three guarantees" service (return, replacement, warranty).
2、During the use of our products, our factory regularly organizes technical and quality inspection personnel to visit and consult users for feedback on product quality, usage status and improvement opinions, so as to further improve product quality.
3、Respond quickly to the quality of user complaints, after-sales service personnel rushed to the scene in 24-36 hours (48 hours outside the province).
4、For after-sales service, users are required to fill out the quality feedback information form after the service and make an appraisal opinion in order to improve the service quality of Qigao.
1、If the customer has special requirements for the product, the following instructions must be provided in the order contract.:
a、Structure length;
b、Connection Type;
c、Nominal diameter, full diameter, reduced diameter, pipe size;
d、Operating medium and temperature, pressure range;
e、Tests, inspection standards and other requirements
2、The factory can configure various types of driving devices according to customer's specific requirements.。
3、If the type and model of the valve are determined by the customer, the customer shall correctly state the meaning and requirements of the model and sign the contract under the condition that the supplier and the buyer understand each other.
4、For futures and order customers, please call us in advance to tell the required valve model, specification, quantity, delivery time and location, and timely transfer to the factory account according to the total 30% deposit or full payment. The rest of the payment is pending. Import before shipment to arrange delivery in time.
Order Process:
1、Customer purchase list fax to021-33872143,Or call us 021-33872141
2、Receive customer purchase list, provide valve model selection and quotation (price list)。
3、Specific agreement: delivery date, special requirements, etc.。
download Google:
1、If the customer has special requirements for the product, the following instructions must be provided in the order contract.:
|
|||||
|
|||||
2、The factory can configure various types of driving devices according to customer's specific requirements.。
|
|||||
3、If the type and model of the valve are determined by the customer, the customer shall correctly state the meaning and requirements of the model and sign the contract under the condition that the supplier and the buyer understand each other.
|
|||||
4、For futures and order customers, please call us first to tell the required valve model, specifications, quantity, delivery time and location, and press the total30%The deposit or full payment will be remitted to our factory account in time., The rest of the payment will be remitted before shipment to arrange delivery in time.。
|
Sale service:
Trustworthy contract, guarantee timely delivery, keep in touch with customers at any time。
For special or duplicate products, our factory arranges technicians to use and troubleshoot the products for users.
After sales service:
1、"Qigao" product quality period is from the factory12Month, practice“Three packs”Service (return, replacement, warranty)。
2、During the use of our products, our factory regularly organizes technical and quality inspection personnel to visit and consult users for feedback on product quality, usage status and improvement opinions.,
In order to further improve product quality。
3、Respond quickly to the quality of user complaints, after-sales service personnel24-36Hours (outside the province48Hour) rushed to the scene。
4、For after-sales service, the user is required to fill out the quality feedback information form after the service and make an appraisal opinion in order to improve the service quality of “Qigao”.。
statement |
|